Brass Threaded Inserts

Threaded inserts made from high quality CZ121/CW614N brass to give high tensile strength, excellent resistance to corrosion and good electrical conductivity.

Studded Ultra Inserts

headed press ultra stud inserts umheaded press ultra stud inserts

Studded brass insert with opposing herringbone knurl suitable for ultrasonic or heated press-in installation into thermoforming plastics.

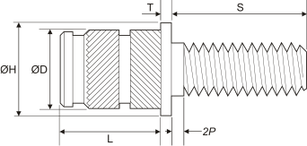
Available with or without head, and with a stud length (S) of 6, 10, 16 or 25mm (actual thread length is S - 2 x threaded pitch).

Please contact us for price and stock information.

headed press ultra inserts detail drawing unheaded press ultra inserts detail drawing
Studded Ultra Inserts
All dimensions in mm.
Pilot hole dimensions are for reference purposes only.
Thread
Size
Length
(L)
ØHØDTPilot Hole
M2 4.0 4.8 3.6 0.6 3.2
M2.5 5.8 5.6 4.6 0.6 4.0
M3 5.8 5.6 4.6 0.6 4.0
M3.5 7.2 6.4 5.4 0.8 4.8
M4 8.2 7.2 6.3 0.8 5.6
M5 9.5 8.0 7.0 1.0 6.4
M6 12.7 9.5 8.6 1.3 8.0
M8 12.7 11.0 10.2 1.3 9.6


Based in the heart of the West Midlands The Insert Company (UK) Ltd has supplied high quality fastenings at competitive prices since 2003.


Copyright © The Insert Company (UK) Limited 2025